Ремонт Алмаг 01

Сервисный центр Комплэйс производит ремонт Алмаг 01 – медицинского прибора для физиотерапии. На этой странице расскажем про недостатки схемы этого прибора, которые вызывают его поломку.
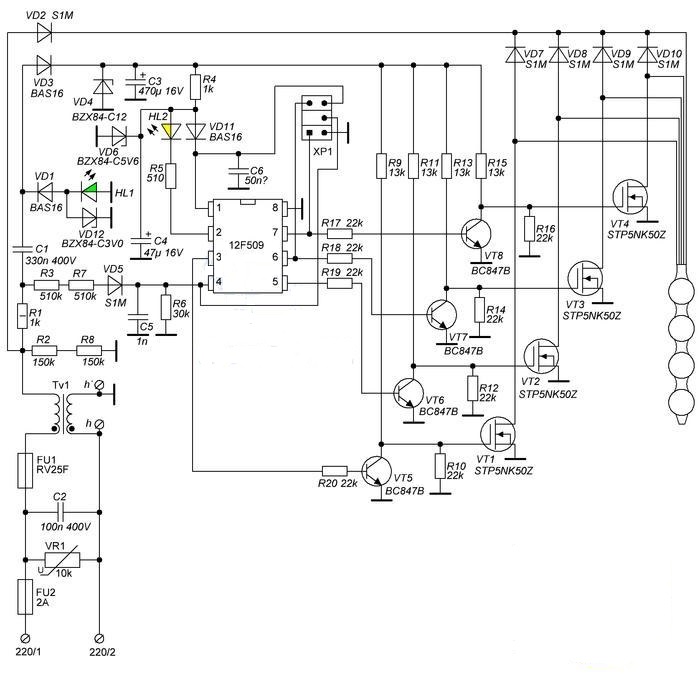
Схема Алмаг 01 и проблемы

Прибор работает под управлением микроконтроллера 12F509. Этот микроконтроллер по очереди запускает импульсы тока на Если сгорит микроконтроллер, то починить устройство не получится. Потому что в новую микросхему нужно записать еще и программу, которой нет в интернете. Но обычно все проще.
Левая часть схемы – это питание микросхемы и транзисторов. В самом начале установлены два предохранителя – один плавкий на 2А, другой самовосстанавливающийся RV25F на 0.25А 240В. Именно во втором предохранителе и кроются основные проблемы прибора. Если бы его не было, прибор был бы намного надежнее.

Этот предохранитель представляет собой переменное сопротивление, которое до определенного значения маленькое. Но после определенного порога резко возрастает. После снятия питания предохранитель должен восстановиться. Выбросить из схемы его нельзя, потому что он предохраняет схему до запуска микроконтроллера. Ведь если микроконтроллер не запустится, мощные полевые транзисторы AOD400 (421, 466, 4100) TO-252 сгорят. Это и происходит при пробое этого предохранителя. Заменять на малое сопротивление 2 ом тоже нельзя по той же причине.
В этом приборе нет гальванической развязки, потому что нет трансформатора. Это опасно для пользователей – на катушки идет напряжение выше 300В.
Схема катушек следующая.


Основные поломки Алмаг 01
Обычно типичные поломки прибора – это когда он либо совсем не работает, либо перестает работать через несколько минут.
Основные причины:
- неисправен самовосстанавливающийся предохранитель FU1
- обрыв/замыкание в катушках
- неисправен конденсатор C3, C4
- сгорели транзисторы VT1-VT4
Главная проблема при ремонте – предохранитель FU1. В наличии в России их обычно нет. У нас есть.
Цены и сроки
Если сгорел самовосстанавливающийся предохранитель FU1, то цена ремонта 2000 руб.
Если вышли из строя транзисторы, то стоимость восстановления 3000 руб.
Срок ремонта 1 день, все детали есть в наличии.
Сдать аппарат для починки можете в профессиональный сервисный центр Комплэйс по адресу: Москва, ЮАО, Варшавское шоссе, д.132А к.1. Телефоны 8 495 3894127, +7 916 8027768,
Еще посетители ищут:

© 2003-2022 Copyright www.complace.ru