HP Probook 455 G7 перезагружается

HP Probook 455 G7 перезагружается

Нестандартная неисправность ноутбука HP Probook 455 G7, когда он при включении начинает бесконечно циклически перезагружаться. Изображение на экране при этом отсутствует. Почему HP Probook 455 G7 перезагружается циклически без появления изображения?

В результате диагностики выяснили, что на материнской плате отсутствует напряжение на оперативной памяти.

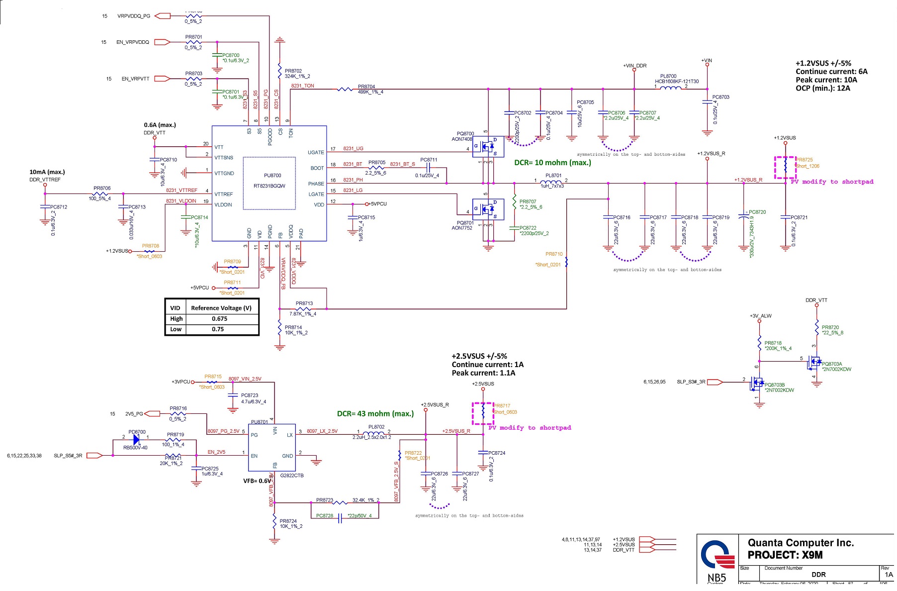
Для понимания приведем электрическую схему питания оперативной памяти материнской платы Probook 455 G7. Это плата от разработчика Quanta Computer X9M. В основе схемы лежит микросхема ШИМ контроллера RT8231BGQW.

На 16 ножке ШИМ контроллера напряжение 1.2V отсутствовало. Сгорел ШИМ RT8231BGQW. Но такую микросхему купить непросто. Легче подобрать аналог. Причем у аналога будет свой делитель напряжения опорного питания. После замены контроллера на аналог с правильным референсным напряжением напряжение 1.2V поступило на слоты памяти и ноутбук заработал.

Стоимость ремонта 7000 руб.

Сдать лэптоп в починку можете в сервисный центр Комплэйс по адресу: Москва, ЮАО, Варшавское шоссе, д.132А к.1. Телефоны 8 495 3894127, +7 916 8027768, 

Еще люди читают: